澳门金沙娱乐城官网区2022年7月份供水水质公示
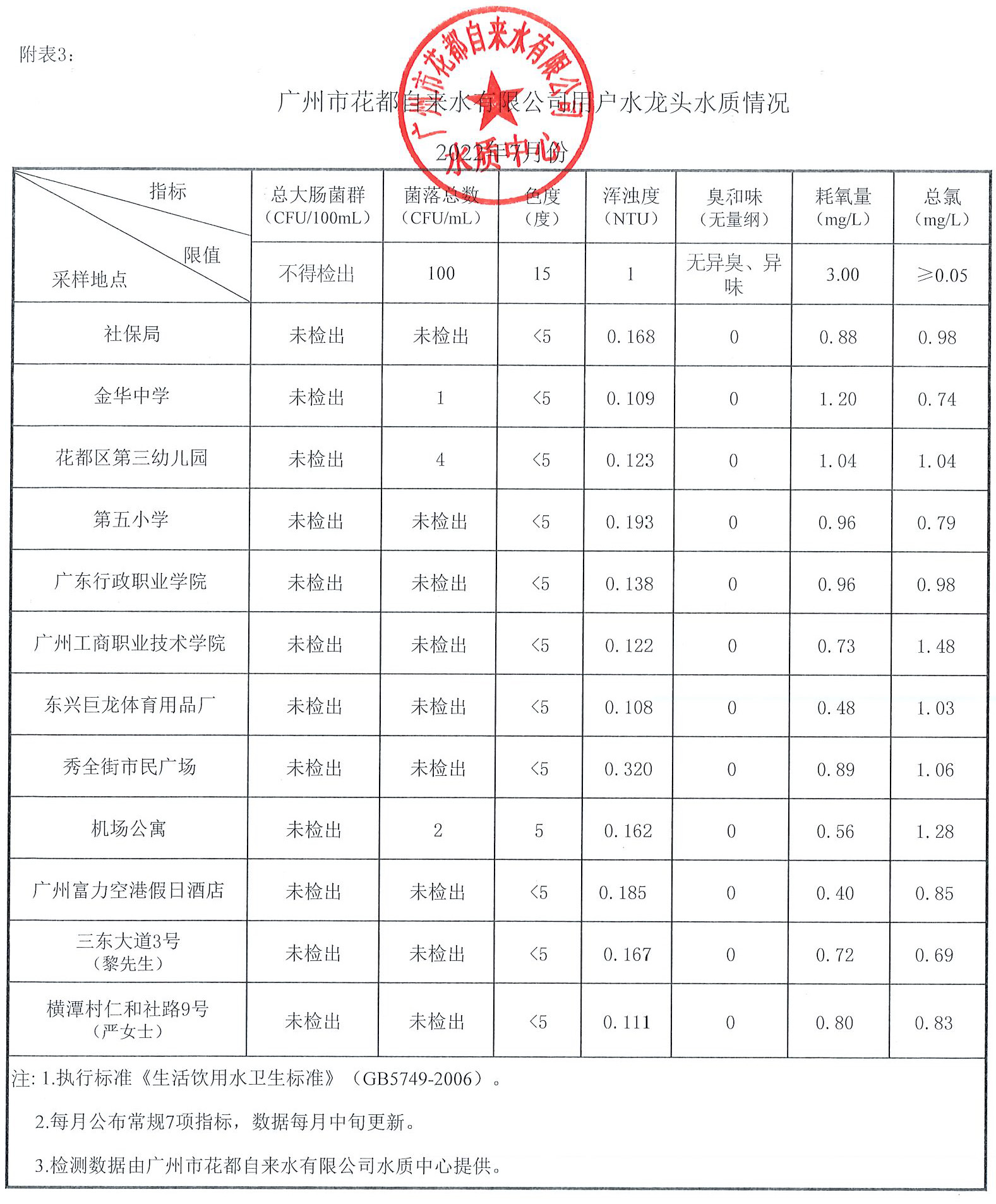
根据《广州市水务局关于开展用户水龙头水质检测和公示的通知》要求,我公司按照《生活饮用水卫生标准》(GB5749-2006)对东部、石角、秀全水厂出厂水42项,新华城区管网水、用户水龙头水7项的水质进行检测,水质数据每月中旬公布在澳门金沙娱乐城官网政府门户网站上。
通过检测数据显示,我公司2022年7月份水厂出厂水、新华城区管网水、用户水龙头水所检项目全部达标,水质综合合格率为100%。
附表1:7月份各水厂(东部、石角、秀全)出厂水水质42项

附表2:管网水水质7项

附表3:用户水龙头水质7项

广州市澳门金沙娱乐城官网自来水有限公司
2022年8月12日